Pièce de suspension pour série 300 carrée, acier noir, charge maxi 500kg
Fixation murale acier pour structure carré ou triangulaire série 300, charge 560kg, déport 0,40m
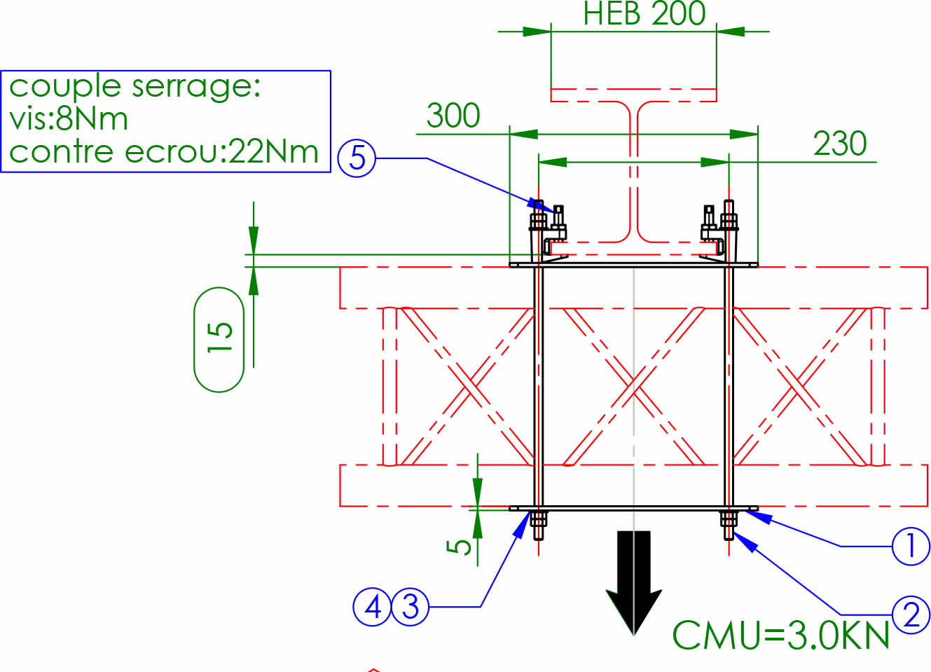
Ensemble d'accroche double pour série 300 carré sur poutre IPN type HEB240, CMU 300kg
Ensemble d'accroche double pour série 300 carré sur poutre IPN type HEB180, CMU 300kg
Ensemble d'accroche 1côté pour série 300 carré sur poutre IPN type HEB, CMU 150 kg
Praticables 2m x 1m, (jeux de 4 pieds de 20, 40, 60 et 80cm en option)
Tête de totem pour poutre SR6043, équipée d'un anneau de levage CMU 500kg
Support moteur 250 kg pour série 400 carré (moteur type SR1 dans la poutre). Utilisation au-dessus de la poutre uniquement.
Potence pour série SC500, charge 500 kg, couleur alu. Pour déport moteur ou autre.
Jeu de 4 x pieds tube alu 0,60m pour praticables ASD
Nos équipes sont prêtes à répondre à vos besoins et à concrétiser vos projets. Contactez votre agence locale ou laissez-nous un message, nous serons ravis de vous accompagner.